Physical Specifications

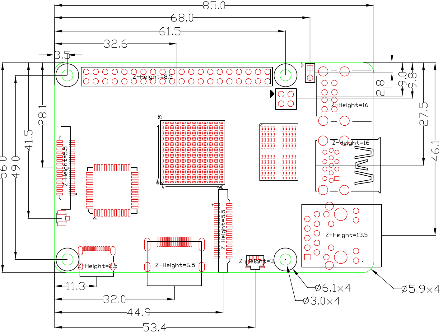
Figure 1. VisionFive 2 Lite Mechanical Drawing - Top View
Figure 2. VisionFive 2 Lite Mechanical Drawing - Bottom View
Warning:

During the use of VisionFive 2 Lite, avoid contact with hard objects that may cause damage. Thus, StarFive recommends that you use spacers for the following NPTHs (Non Plating Through Hole):

Figure 3. NPTHs on VisionFive 2 Lite

For spacers, StarFive strongly recommends that you use the copper columns or studs with the following specifications:

  • Single head hexagonal copper columns (Size: M2.5*10+6mm)
    Figure 4. Single head hexagonal copper columns
  • Double way hexagon copper studs (Size: M2.5*4)
    Figure 5. Double way hexagon copper studs