Mechanical Specification
Mechanical Drawing
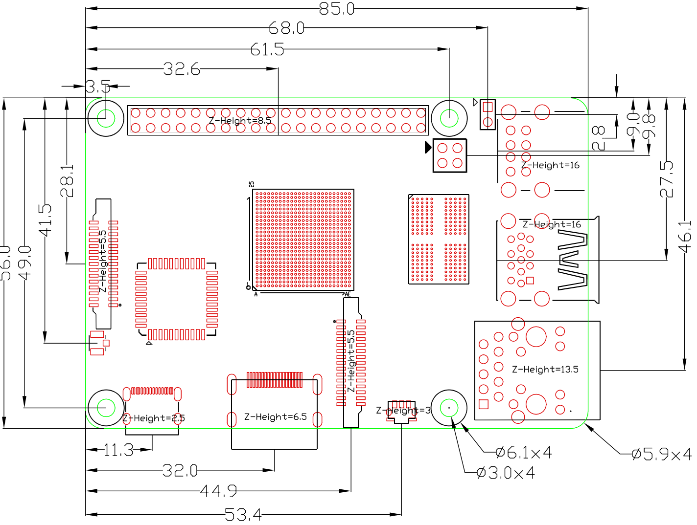
The following diagrams illustrate the top and bottom views of VisionFive 2 Lite.
Dimensions
VisionFive 2
Lite has the
following dimensions.
- Length: 85 mm
- Width: 56 mm
Using Spacers for NPTHs
During the use of VisionFive 2 Lite, avoid contact with hard objects that may cause damage. Thus, StarFive recommends that you use spacers for the following NPTHs (Non Plating Through Hole):
For spacers, StarFive strongly
recommends that you use the copper columns or studs with the following
specifications:
- Single head hexagonal copper columns (Size: M2.5*10+6mm)
Figure 4. Single head hexagonal copper columns
- Double way hexagon copper studs (Size: M2.5*4)
Figure 5. Double way hexagon copper studs
