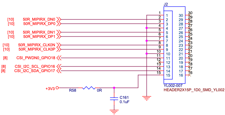
2-Lane MIPI CSI Pin Definition
The following figure and table describe the 2-lane MIPI DSI definition:

No. | Definition | Description | Voltage |
---|---|---|---|
1 | GND | Ground | - |
2 | 50R_MIPIRX_DN0 | MIPI Input Lane 0 Negative | 1.8V |
3 | 50R_MIPIRX_DP0 | MIPI Input Lane 0 Positive | 1.8V |
4 | GND | Ground | - |
5 | 50R_MIPIRX_ DN1 | MIPI Input Lane 1 Negative | 1.8V |
6 | 50R_MIPIRX_ DP1 | MIPI Input Lane 1 Positive | 1.8V |
7 | GND | Ground | - |
8 | 50R_MIPIRX_CLK0N | MIPI Input Clock 0 Negative | 1.8V |
9 | 50R_MIPIRX_CLK0P | MIPI Input Clock 0 Positive | 1.8V |
10 | GND | Ground | - |
11 | CSI_PWDN0_GPIO18 | CSI power control | 3.3V |
12 | NC | NC | - |
13 | CSI_I2C_SCL_GPIO16 | CSII2C SCL | 3.3V |
14 | CSI_I2C_SDA_GPIO17 | CSII2C SDA | 3.3V |
15 | +3.3 V | Power Voltage for digital circuit 3.3 V | 3.3V |